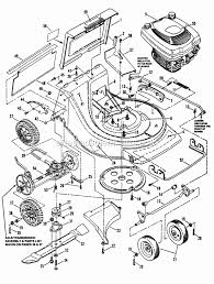
Snapper Riding Lawn Mower Parts Manual / Snapper 281123bv Rear Engine Riding Mower Parts Sears Partsdirect - Scan for the proper diagram, copy the belt serial number.

Info Populer 2022

Snapper Riding Lawn Mower Parts Manual / Snapper 281123bv Rear Engine Riding Mower Parts Sears Partsdirect - Scan for the proper diagram, copy the belt serial number.

Snapper Riding Lawn Mower Parts Manual / Snapper 281123bv Rear Engine Riding Mower Parts Sears Partsdirect - Scan for the proper diagram, copy the belt serial number.
Snapper Riding Lawn Mower Parts Manual / Snapper 281123bv Rear Engine Riding Mower Parts Sears Partsdirect - Scan for the proper diagram, copy the belt serial number.

Snapper Riding Lawn Mower Parts Manual / Snapper 281123bv Rear Engine Riding Mower Parts Sears Partsdirect - Scan for the proper diagram, copy the belt serial number.. Go to the snapper website, go to manuals/parts lists, enter the model and serial number of the mower. Riding mowers are comfortable tools for cutting large swathes of grass. Quick overview & video demo part 2: Vintage snapper service manual 07218 ltd series 0 lawn tractor mower attachments. Riding lawn mower review content part 1:

To start your riding lawn mower, engage the brakes, shift the gear to neutral, open the throttle, turn the ignition, and then fix any issues preventing the mower from working properly. Frequently asked questions part 6: Snapper riding lawn mowers fit into three main categories, including manual transmission, automatic (hydrostatic) transmission and zero turn. For all small frame lawn tractors with disc, gear & hydro drive series 0, 1, 2 & series a, b, c, d, e, f, g, h, i. The main reasons for loss of control are:

Snapper 21 Self Propelled Lawn Mower
Snapper 21 Self Propelled Lawn Mower from www.briggsandstratton.com
Snapper lawn mower part description. © lawn mower parts manual 2013. They are used to look up your products operators manual and illustrated parts lists. There wasn't a mower shop on every corner. Snapper 7075622 solenoid snapper 7075622yp solenoid snapper 75622 starter relay solenoid. The market is flooded with lawn mowers of all sizes and different power. Browse snapper lawn mower manuals available for download. Snapper riding lawn mower parts.

Snapper illustrated parts diagrams available online from an authorized snapper dealer.

Quick overview & video demo part 2: Riding lawn mower review content part 1: Riding mowers are comfortable tools for cutting large swathes of grass. There wasn't a mower shop on every corner. Snapper model sr1028 rear engine riding lawnmower rescue! There were not loads of online retailers to order lawn mower parts from….actually there was no internet at all! Snapper lawn mower manuals should be read whenever there is a question related to the function of the lawn mower. Snapper riding lawn mower parts. Download manual for model 301223bve snapper rear engine riding mower.sears partsdirect has parts, manuals & part diagrams for all types of repair projects. Performing this maintenance as scheduled in your owner's manual. Buying a lawn mower is not an easy task these days. Model numbers can be found on the product identification tag located on your snapper product. Find your snapper manual & parts lists.

Click on an alphabet below to see the full list of models starting with that letter Your mowing routine will be a breeze even if you have a large area to take care of. User manuals, snapper lawn mower operating guides and service manuals. Insufficient tire grip frequently check components and replace with manufacturer's recommended parts, when necessary. With these videos i hope you are able to fix and repair your lawnmower yourself with minimal parts, knowledge and tools.

Snapper 5900693 Rear Engine Riding Mower Parts Sears Partsdirect
Snapper 5900693 Rear Engine Riding Mower Parts Sears Partsdirect from c.searspartsdirect.com
Service manuals and parts list. © lawn mower parts manual 2013. We've found rthe best riding lawn mowers to help you with it. Manualslib has more than 2455 snapper lawn mower manuals. With these videos i hope you are able to fix and repair your lawnmower yourself with minimal parts, knowledge and tools. Snapper lawn mower manuals, user guides and free downloadable pdf manuals and technical specifications. Snapper lawn mower 1300 series. If you do not see the snapper parts diagram you need, please complete the lawn mower parts request form and we will be happy to assist you.

© lawn mower parts manual 2013.

Garden product manuals and free pdf instructions. On the snapper website, you can download operator's manuals, wiring diagrams, and illustrated parts lists, as long as you have the mower's model number. Rear engine riding lawn mower. Snapper illustrated parts diagrams available online from an authorized snapper dealer. Find your snapper manual & parts lists. Model numbers can be found on the product identification tag located on your snapper product. Click on an alphabet below to see the full list of models starting with that letter Shop riding lawn mowers and more at the home depot. Your mowing routine will be a breeze even if you have a large area to take care of. Regularly checking and changing your riding lawn mower's oil can ensure that it runs properly and lasts longer. Go to the snapper website, go to manuals/parts lists, enter the model and serial number of the mower. Download manual for model 301223bve snapper rear engine riding mower.sears partsdirect has parts, manuals & part diagrams for all types of repair projects. Find all the parts you need for your snapper lawn mower at muzeonclub.ru we have manuals, guides and of course parts for common problems.

Tractor riding lawn mower products snapper mowers tractors. Performing this maintenance as scheduled in your owner's manual. Snapper riding lawn mowers fit into three main categories, including manual transmission, automatic (hydrostatic) transmission and zero turn. Snapper illustrated parts diagrams available online from an authorized snapper dealer. Snapper parts manual for 21 series 6 blade brake clutch walk mower.

Free Snapper Lawn Mower User Manuals Manualsonline Com
Free Snapper Lawn Mower User Manuals Manualsonline Com from pdfasset.owneriq.net
Shop riding lawn mowers and more at the home depot. Download manual for model 301223bve snapper rear engine riding mower.sears partsdirect has parts, manuals & part diagrams for all types of repair projects. With these videos i hope you are able to fix and repair your lawnmower yourself with minimal parts, knowledge and tools. Performing this maintenance as scheduled in your owner's manual. There were not loads of online retailers to order lawn mower parts from….actually there was no internet at all! Model numbers can be found on the product identification tag located on your snapper product. © lawn mower parts manual 2013. Quick overview & video demo part 2:

Your mowing routine will be a breeze even if you have a large area to take care of.

Snapper riding lawn mowers fit into three main categories, including manual transmission, automatic (hydrostatic) transmission and zero turn. If you do not see the snapper parts diagram you need, please complete the lawn mower parts request form and we will be happy to assist you. As part of routine maintenance, it's important to check and replace your riding lawn mowers' engine oil and oil filter. The main reasons for loss of control are: Snapper illustrated parts diagrams available online from an authorized snapper dealer. Snapper outdoor power service and repair manuals from clymer. The market is flooded with lawn mowers of all sizes and different power. Find the user manual you need for your lawn and garden product and more at manualsonline. Snapper parts manual for 21 series 6 blade brake clutch walk mower. Browse snapper lawn mower manuals available for download. Performing this maintenance as scheduled in your owner's manual. Snapper lawn mower manuals, user guides and free downloadable pdf manuals and technical specifications. Find all the parts you need for your snapper lawn mower at muzeonclub.ru we have manuals, guides and of course parts for common problems.

Advertisement

Iklan Sidebar